





Couldn't load pickup availability
![]() |
China National Accreditation Service for Conformity Assessment.
CNAS confirms its ability to carry out appropriate conformity assessment activities.
HUABANG ENERGY METER TEST REPORT UNDER THIS ORGANIZATION |
![]() |
EU legislation, mainly used to regulate the electrical and electronic products, materials and process standards, making it more conducive to human health and environmental protection
HUABANG UNDER THE RoHS 2 DIRECTIVE 2011/65/EU |
![]() |
“Conformite Europende”
|
![]() |
ISO 9001 is a standard that sets out the requirements for a quality management system. It helps businesses and organizations to be more efficient and improve customer satisfaction.
HUABANG PRODUCTION ACTIVITY REFERENCE IS09001: 2015 |
![]() |
By the Alibaba platform authority strength verification of high-quality suppliers, through the online and offline combination of the way, the platform for business enterprise qualifications, commodity qualifications, enterprise capabilities and other all-round strength of certification and strength transmission |
1. Overview
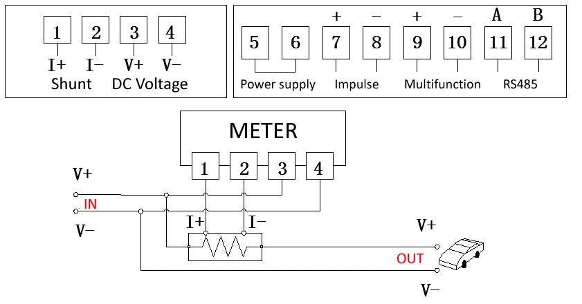
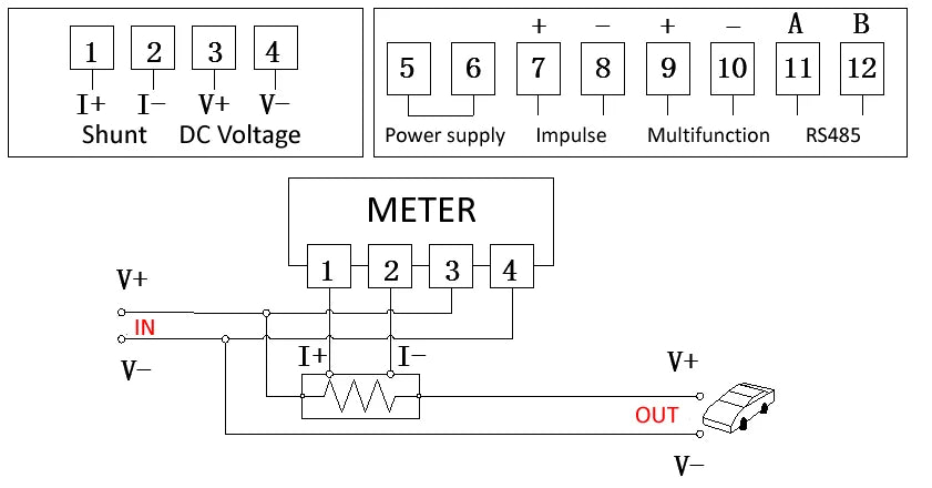
DDS228 electronic single phase DC energy monitoring meter is a new generation of intelligent high-tech measurement products. It is based on special metering chip technology, using the latest integrated circuit technology, in accordance with relevant international IEC standards and Chinese Multifunction energy meter- DL/T614-2007, Multifunction energy meter communication protocol-DL/T645-2007, DC energy meter verification regulation JJG 842-1993. It collects measurement, monitoring, alarm, display, freezing, RS485 & infrared communication function in one, and realizes the DC solar power generation measurement and electricity data collection and EV charger metering.
2. Technical specification
|
Model no. |
DDS228 |
|
|
Accuracy |
Class 1 |
|
|
Power supply |
AC 220V±20% |
DC 12V,24V,40-260V |
|
Power supply power loss |
<1.5W/10VA |
|
|
Rated DC voltage |
DC 10-300V / 750V / 1000V |
|
|
External shunt |
75mV |
|
|
Shunt accuracy |
Class 0.5 / 0.2 |
|
|
Working Temperature |
-25~60℃ |
|
|
Storage Temperature |
-40~70℃ |
|
|
Working Humidity |
≤85% |
|
|
Design life spam |
10 Years |
|
Note: special specifications can be customized
3. Working principle
The circuit metering part adopts the special measuring chip, It has characteristics of high reliability, high precision and low power consumption.The electricity meter adopts the transformer power supply mode,The metering chip converts the electrical energy into pulses, and CPU chip completes the pulse collection and then accumulates the power consumption. The data security use redundant design, carries on the multiple backup, ensures the measurement data is reliable.
4. Meter Function
4.1 Energy Metering
a) Active import and export measurement, also can set the different combination
b) Can store current month, and last 12 months energy data,
c) The balance date can be set on any time of the month ( 1st ~ 28th )
4.2 Monitoring
Real time measuring: Voltage(V), Current(A), Active Power(W), Energy Consumption (kWh)
4.3 Data Freezing ( Optional Function )
A) It is divided into time freeze; instantaneous freeze; freeze by date; appoint freeze and freeze by hour
B) B) freezing in each mode can be frozen through the corresponding frozen data mode word selection, which can be used to select positive energy, reverse active power, variable, etc.
C) timing freeze: the timing of the freezing of the time of a timed freezing, the period of a month or a day or an hour, and the last 60 frozen data can be saved.
D) instantaneous freezing: in an abnormal situation, an instantaneous freeze of the next instantaneous freezing command can save the last three frozen data.
E) daily freezing: a freezing time of the day, which can save the last two months of freezing data.
F) agree to freeze: when switching between two sets of time zone tables, switching between two sets of time slots, or when the power company considers that there is a special need, the electrical energy and other important data of the conversion moment will be frozen.You can save the last two switching freezes data.
G) total freezing: configure the starting time and freezing time of the whole point, and save the latest 254 frozen data.
4.4 Clock
The clock adopts the external professional temperature compensation chip to ensure that the clock daily error is less than 0.5s/d at the nominal temperature, and the monthly error is not more than 25 seconds. Far infrared communication using 38kHz modulation, communication distance about 5 meters
4.5 Event record(Optional Function)
a) Permanent record the time of energy date reset and before reset kWh.
b) Record total time of program, and the last 10 programming moments, the operator code, the programming data identification.
c) Record total number of Meter timing (excluding the broadcast timing), the latest 10 moments of timing also the operator code.
d) Record the total number of power failure, and the last 10 times of event occurrence and end time.
e) Record the total number of Meter cover open, and the last 10 times of event occurrence and end time.
5. Tariff and Time Period
a) Built in RTC circuit, function of timing, calender and leap year auto change, internal clock terminal output frequency 1Hz
b) 2 Time zone, able to configure two time zone shift time
c) 2 day time period, able to configure two time period shift time
d) Able to configure public holidays time period
e) Able to configure weekend and weekend selection day period
6. Communication
a) Meter have 1 infrared, 1 RS485 communication port, and separate circuit not influence by each other, also communication interface with energy meter circuit which is isolated, have protection circuit.
b) RS485 Baud rate changeable, 1200, 2400, 4800, 9600bps (default); Infrared baud rate is 1200bps
c) Protocol Modbus RTU also able to connect to our monitor collector ( please ask our sales )
7. Power failure display support by battery
After power failure, user can press button to awake the Meter, if within 30 seconds no further operation it will back to power off status
LED indicate, impulse signal output
a) Meter panel have active energy consumption LED indicate
b) Meter Auxiliary terminal configure active energy impulse signal output, and multifunction testing signal
c) Multifunction testing interface: able to export diurnal timing error, time period switch, both output signal using the same interface, user can program to change. After Energy Meter reboot, the interface will change to default diurnal timing error detection signal.
9. Energy Meter Dormancy
While the external power supply interrupt, the internal battery will start supply, in the same time, the Meter will automatic transfer into a dormant state to reduce the battery consumption, after power supply back on, Meter will exit this state
10. LCD Display
10.1 Adopt big screen easy for reading parameters, using FSTN material, the temperature range(-25~+65 )℃ ultraviolet proof.
10.2 Automatic cycling display and button display, the interval of auto display can setting from 5 ~20second
10.3 Whole display


10. Dimension and installation (mm)

10. Transportation and storage
The meter shouldn't be struck violently when it is transporting, The meter should be put on the shelves in good condition not more than five layers. The temperature not more than -25 ~ 70℃, and relative humidity not more than 85%, and without corrosive gas.
11. Warranty
Within 18 months since the delivery date, if it is found that the product does not conform to the standard, we will be responsible for maintenance and replacement, free of charge provided that the customers operate it according to the instructions manual and the seal is intact. Guarantee or warranty does not cover incorrect installation and force majeure cases.
Appendix I Cycling Display
|
Content |
Format |
Code |
Sequence |
|
Date |
XX.XX.XX |
04000101,00 |
1 |
|
Time |
XX:XX:XX |
04000102,00 |
2 |
|
Communication ID High 4 digits |
XXXX |
04000401,01 |
3 |
|
Communication ID low 8 digits |
XXXXXXXX |
04000401,00 |
4 |
|
Total Active Consumption |
XXXXXX.XX kWh |
00000000,00 |
5 |
|
Total Import Active Energy Consumption |
XXXXXX.XX kWh |
00010000,00 |
6 |
|
Total Export Active Energy Consumption |
XXXXXX.XX kWh |
00020000,00 |
7 |
|
Current (A) |
XXX. XXX A |
02020100,00 |
8 |
|
Voltage (V) |
XXX.X V |
02010100,00 |
9 |
|
Total Active Power (kW) |
XX.XXXX kW |
02030000,00 |
10 |
Appendix II Button display
|
Content |
Format |
Code |
Sequence |
|
Date |
XX.XX.XX |
04000101,00 |
1 |
|
Time |
XX:XX:XX |
04000102,00 |
2 |
|
Communication ID High 4 digits |
XXXX |
04000401,01 |
3 |
|
Communication ID low 8 digits |
XXXXXXXX |
04000401,00 |
4 |
|
Total Active Consumption |
XXXXXX.XX kWh |
00000000,00 |
5 |
|
Total Import Active Energy Consumption |
XXXXXX.XX kWh |
00010000,00 |
6 |
|
Import Active Energy Consumption (T1) |
XXXXXX.XX kWh |
00010100,00 |
7 |
|
Import Active Energy Consumption (T2) |
XXXXXX.XX kWh |
00010200,00 |
8 |
|
Import Active Energy Consumption (T3) |
XXXXXX.XX kWh |
00010300,00 |
9 |
|
Import Active Energy Consumption (T4) |
XXXXXX.XX kWh |
00010400,00 |
10 |
|
Total Export Active Energy Consumption |
XXXXXX.XX kWh |
00020000,00 |
11 |
|
Last 1 month total Active Energy |
XXXXXX.XX kWh |
00000001,00 |
12 |
|
Last 1 month Import Active Energy Consumption |
XXXXXX.XX kWh |
00010001,00 |
13 |
|
Last 1 month Export Active Energy Consumption |
XXXXXX.XX kWh |
00020001,00 |
14 |
|
Active impulse |
XXXXXX imp/kWh |
04000409,00 |
15 |
|
1st settlement date each month |
XX.XX |
04000b01,00 |
16 |
|
Current (A) |
XXX. XXX A |
02020100,00 |
17 |
|
Voltage (V) |
XXX.X V |
02010100,00 |
18 |
|
Total Active Power (kW) |
XX.XXXX kW |
02030000,00 |
19 |
Meter Failure Prompt(Err-XX)
|
Name |
Code |
|
ESAM Error |
Err-02 |
|
Clock battery voltage low |
Err-04 |
|
Internal program error |
Err-05 |
|
Memory failure |
Err-06 |
|
Clock failure |
Err-07 |